1. Sebagai Penggerak mula, ketika mesin pertama kali di nyalakan
TERDAPAT 3 JENIS SISTEM STARTER
1. TIPE PLANETARY

Pada starter tipe ini menggunakan tiga buah gear sebagai penopang poros armature juga sebagai penggerak armature itu sendiri sebelum memutar kopling dan pinion gear.
2. TIPE REDUKSI

Pada starter tipe ini terdapat gear-gear yang saling mereduksi dari kumparan armature hingga ke gear pada poros kopling
3. TIPE KONVENSIONAL

Pada starter tipe ini hanya terdapat satu buah gear yaitu pinion gear yang akan terhubung ke fly wheel gear ketika drive lever mendorong gear tersebut saat starter berputar
URAIAN
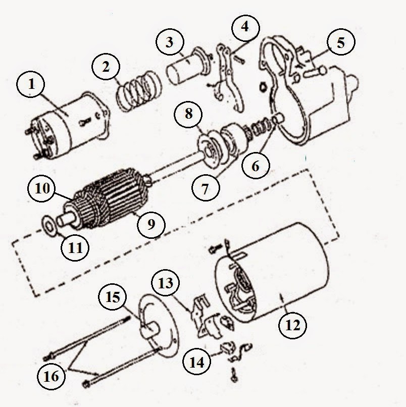
Untuk mempersempit materi bahasan tentang sistem starter, blogger hanya akan membahas tentang sistem starter tipe konvensional saja. seperti gambar di bawah ini.
1. SWITCH STARTER
Untuk memutus dan menghubungkan arus listrik dari baterai
Untuk memutus dan menghubungkan arus listrik dari baterai
2. PEGAS PLUNYER
Untuk mengembalikan posisi plunyer setelah menekan dan mendorong drive lever
3. PLUNYER
Untuk mendorong dan mengkait drive lever
4. DRIVE LEVER
Untuk mendorong clutch dan pinion gear agar terhubung ke flywheel gear
5. FRONT CASE
Untuk menutup bagaian depan starter
6. STOP COLAR
Untuk membatasi pergerakan clutch dan pinion gear pada poros
7. PINION GEAR
Untuk memutar gear pinion
8. STARTER CLUTCH
Untuk membatasi putaran cepat dari clutch
9. ARMATURE
Untuk menimbulkan medan magnet dalam arah melingkar
10.COMUTATOR
Untuk tempat kedudukan sikat arang yang akan mengalirkan listrik ke armature sehingga terjadi putaran
11.WASHER
Untuk membatasi dan mengunci poros bagian belakang dari starter
12.FIELD COIL
Untuk menimbulkan medan magnet dalam arah lurus dan mendatar
13.BRUSH HOLDER
Untuk tempat kedudukan brush positif dan negatif
14.BRUSH
Untuk menghantarkan arus listrik pada komutator
15.REAR CASE
Untuk menutup starter bagian depan
16. BOLT
Untuk mengikat secara keseluruhan komponen sistem starter
1. KUMPARAN MEDAN (FIELD COIL)
Fungsi : Untuk menimbulkan medan magnet dalam arah lurus dan mendatar
2. KUMPARAN JANGKAR (ARMATURE)
Fungsi : Untuk menimbulkan medan magnet dalam arah melingkar
3. RANGKAIAN SIKAT DAN SIKAT
Fungsi : sebagai tempat kedudukan sikat positif dan negatif dan juga untuk menghantarkan arus listrik pada komutator
4. SWITCH STARTER
Fungsi : Untuk menghubung dan memutuskan arus litrik yang mengalir pada pada rangkaian
Terdapat 3 Terminal pada switch starter yaitu : 30, 50 dan C
dan juga terdapat dua buah gulungan utama yaitu : Pull in Coil dan Hold in Coil
CARA KERJA SISTEM STARTER DALAM RANGKAIAN
Ketika kunci kontak di ON kan, arus listrik dari baterai mengalir melewati rangkaian sikring lalu ke terminal 50 dari switch starter. bersamaan dengan itu ada pula sebagian arus listrik yang mengalir ke terminal 30 dari switch starter yang dapat menimbulkan kemagnetan dari kumparan Pull in Coil dan Hold in Coil dari switch starter yang menarik plunyer switch starter sehingga drivel lever mendorong kopling dan pinion gear ke fly wheel gear
PERAWATAN DAN PERBAIKAN SISTEM STARTER
1. LAKUKAN PENGUKURAN PADA KUMPARAN JANGKAR (ARMATURE)
a. Pengukuran komutator hubungan terbuka
Jika terdapat hubungan, maka armature baik namun jika tidak terdapat hubungan maka kontinuitas armature putus
b. Pengukuran komutator hubungan masa
Jika tidak terdapat huungan maka armature baik, namun jika terdapat hubungan maka kontinuitas armature bocor
2. LAKUKAN PENGUKURAN PADA FIELD COIL
c. Pengukuran sirkuit Field Coil hubungan terbuka
Jika terdapat hubungan maka field coil baik namun jika tidak terdapat hubungan maka continuitas field coil putus
d. Pengukuran sirkuit Field Coil hubungan massa
Jika tidak terdapat hubungan maka field coil baik namun jika terdapat hubungan maka continuitas dari field coil bocor
3. LAKUKAN PENGUKURAN PANJANG SIKAT DAN RANGKAIAN SIKAT
Panjang sikat yang diukur tergantung dari tipe starter yang di gunakan oleh kendaraan masing-masing namun jika sikat masih panjang dan kondisinya masih baik (belum aus dan rompal) tidak perlu diganti
Pada Pengukuran isolasi sikat seharusnya tida ada hubungan namun jika ada hubungan maka rangkaian sikat harus di ganti
4. LAKUKAN PEMERIKSAAN STARTER CLUTCH DAN PINION GEAR
KERUSAKAN - KERUSAKAN MOTOR STARTER
1. Rangkaian sikat dan sikat sudah aus atau putus
2. Kumparan switch starter rusak
3. Kumparan Field Coil Bocor atau putus
3. Sepatu kutub terbakar
3. Sikring putus
4. Baterai sudah aus




